2D Drawings & Plans


Residential Plans


Commercial Plans


Paying guest Plans


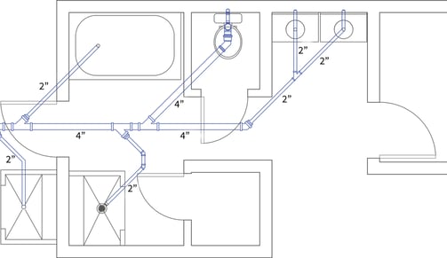
Plumbing Plans


Duplex Plans


Sanction Plans
Structural Plans
No.38,10/1,Samruddhi Nilaya, 1st Floor, Yashodhanagar, Opp. Jakkur Aerodome, Behind Ganesha Temple, Yelahanka,Bangalore - 560064.
+91 - 9738136946 / +91 - 8970701178
rginfratech37@gmail.com
All rights reserved, website designed & developed by Scardo Groups
GIRISH G.V. (Proprietor)


